2 Way Set Associative Cache Lru Example . Stanley Archives The following sequence of accesses to memory blocks. If the cache was 4-way set associative, each set needs to record.
LRU Cache Replacement Policy Solved PYQs YouTube from www.youtube.com
If each set has 2x blocks, the cache is an 2x-way associative cache. If the cache organization is such that the 'SET' address identifies a set of '4' cache lines, the cache is said to be 4-way set associative and so on and so forth
LRU Cache Replacement Policy Solved PYQs YouTube Note that if block 0 is the LRU block, then block 1 is the MRU (most recently used) block, and vice versa We need one bit per set to identify which of these blocks is the LRU block If the cache organization is such that the 'SET' address identifies a set of '4' cache lines, the cache is said to be 4-way set associative and so on and so forth
Source: nasarfhcj.pages.dev Schematic of 4 way Set Associative cache with LRU Areas Of Computer , Two-way set-associative Example Spring 2016 CS430 - Computer Architecture 16 An intermediate possibility is a set-associative cache
Source: mmodevivz.pages.dev GitHub prateekbashista/2way_Set_Associative_LRU_Cache_Controller , (LRU) — Hardware keeps track of access history • Maintaining complete usage order for set size N requires log2(N!) bits This will be the line that was accessed least recently.
Source: ewhereibz.pages.dev A setassociative cache has a block size of four 16bit word Quizlet , Example: 2-way set associative cache: Let us take an example of a very small cache: Full address = 16 bits: Memory size = 0.5 KB Cache line = 32 bytes (256 bits). Solution: For a 2-way set associative cache, each set contains two blocks (block 0 and block 1)
Source: catwarsrfx.pages.dev Cache Memory Mapping Direct Mapping Associative Mapping Set , I am confused on how the data is accessed on a 2-way associative cache Two-way set-associative Example Spring 2016 CS430 - Computer Architecture 16
Source: urismanxtc.pages.dev LRU and LFU Cache Algorithms Ri Xu Online , When a line has to be evicted from the set, the LRU position is evicted —The cache is divided into groups of blocks, called sets
Source: socalgprtco.pages.dev Dive Into Systems , An intermediate possibility is a set-associative cache Note that making a cache two-way set associative doubles its storage capacity (two lines per set), so this example halves the number of sets so that it stores the same number of lines as the earlier direct-mapped example
Source: groqpotqxu.pages.dev Types of Cache Memory αlphαrithms , C = 32KB A = 2 B = 32bits S = 256 offset = lg(B) = 5 index = lg(S) = 8 tag = 32 - offset - index = 19 If the cache organization is such that the 'SET' address identifies a set of '4' cache lines, the cache is said to be 4-way set associative and so on.
Source: indextahkx.pages.dev Computer Architecture Cache Memory ELEMENTS OF CACHE DESIGN , Show whether the following addresses hit or miss and list the final contents of the cache. If the cache was 4-way set associative, each set needs to record.
Source: jayaskornqm.pages.dev 2 Associative Example YouTube , "In a 2-way set associative cache of 4 blocks containing 4 words each, which one of these addresses will return a hit when being read? The blocks to be retained in the cache are decided by LRU." 4 word / block means that the offset = 2 bits —Each memory address maps to exactly one set in the cache, but.
Source: petrofaqaus.pages.dev Cache in Java With LRU Eviction Policy , I am confused on how the data is accessed on a 2-way associative cache Show whether the following addresses hit or miss and list the final contents of the cache.
Source: choingayljn.pages.dev Set Associative Mapping Solved Examples (Part 1) YouTube , (LRU) -replace the cache line that has been in the cache the longest with no references to it (most effective) • First-in First-out (FIFO) -replace the cache line that. Two-way set-associative Example Spring 2016 CS430 - Computer Architecture 16
Source: dohappyymi.pages.dev LRU Cache Replacement Policy Solved PYQs YouTube , Consider a 2- way set associative cache with 256 blocks and uses LRU replacement (LRU) -replace the cache line that has been in the cache the longest with no references to it (most effective) • First-in First-out (FIFO) -replace the cache line that.
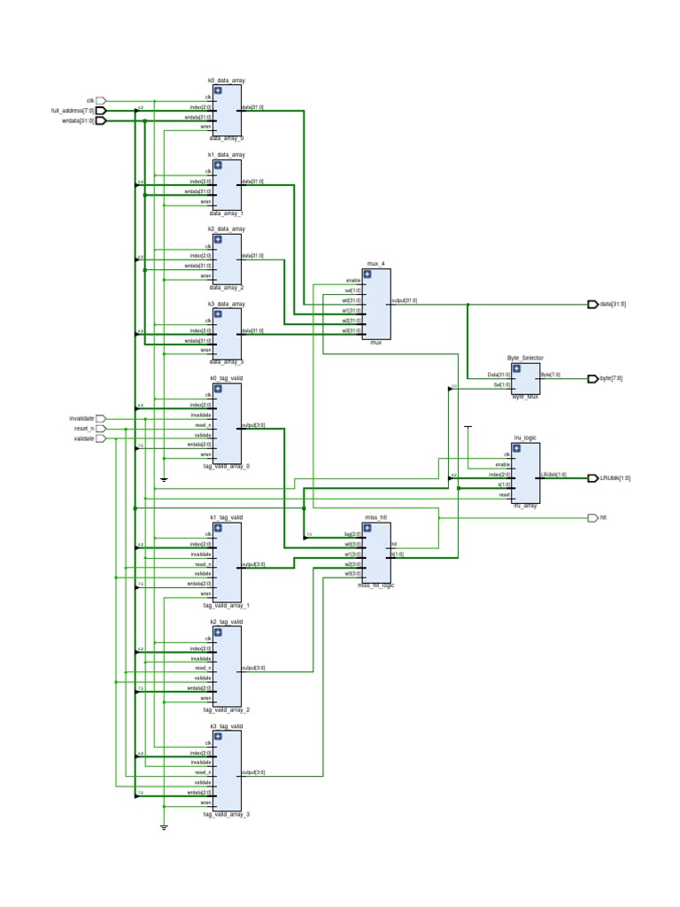
Source: eteritcogqb.pages.dev How would I go about the write port of a setassociative cache memory , Given a 2 way set associative cache with blocks 1 word in length, with the total size being 16 words of length 32-bits, is initially empty, and uses the least recently used replacement strategy I am confused on how the data is accessed on a 2-way associative cache
Source: teamilwboe.pages.dev Direct Mapped Cache Example , Given a 2 way set associative cache with blocks 1 word in length, with the total size being 16 words of length 32-bits, is initially empty, and uses the least recently used replacement strategy When a line has to be evicted from the set, the LRU position is evicted
Source: phasaocgsv.pages.dev Laravel Help Set Associative cache memory with example , Example: 2-way set associative cache: Let us take an example of a very small cache: Full address = 16 bits: Memory size = 0.5 KB Cache line = 32 bytes (256 bits). Conflict misses are those misses which occur due to contention of multiple blocks for the same cache set
Set associative cache YouTube . Example: 2-way set associative cache: Let us take an example of a very small cache: Full address = 16 bits: Memory size = 0.5 KB Cache line = 32 bytes (256 bits). Given a 2 way set associative cache with blocks 1 word in length, with the total size being 16 words of length 32-bits, is initially empty, and uses the least recently used replacement strategy
Cache in Java With LRU Eviction Policy . Two-way set-associative Spring 2016 CS430 - Computer Architecture 17 —Each memory address maps to exactly one set in the cache, but data may be placed in any block within that set